Санкт-Петербург, ул. Ржевская, дом 2, литера б
+7 (812) 245-39-20
zakaz@rvz-zavod.ru

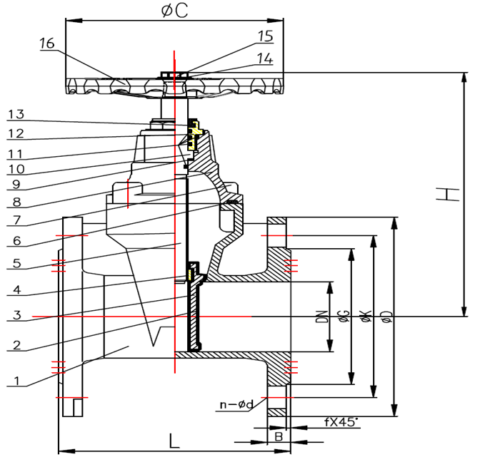
(РВЗ PRO) Задвижка чуг. обр. 30ч39р Ду 65 Ру10/16 откр.гайка (тип МЗВ)

2. РВЗ PRO
00-00020204
7070,00
р.
Рабочая среда: Вода, питьевая вода, нейтральные среды
Рабочее давление, МПа: PN 1,6
Температура рабочей среды: От 0°C до +95°C, tкратк.=+110°C
Тип присоединения: Универсальная рассверловка фланцев PN 10 и PN 16
Типоразмер, мм: DN 50-400
Класс герметичности: А по ГОСТ 9544-2015
Материал основных деталей: ВЧШГ GGG50
Особенности конструкции: Управление через чугунный штурвал, уплотнение направляющих клина,
рёбра жесткости, открытая латунная гайка

Модель: 30ч39р

Диаметр: 65

Давление: 10/16 универсал

Габариты, присоединительные размеры и материалы

Габариты, присоединительные размеры и материалы